Lockwood 3772-DXKITSC DX Digital Conversion Kit for Selector 3772 Mortice Locks
The Lockwood 3772-DXKITSC is a mechanical Digital DX conversion kit designed for compatible Lockwood Selector 3772 mortice lock applications. It provides keypad access without batteries or electrical wiring and is intended for commercial doors where a mechanical code lock is preferred over electronic locking.
This product is not a complete mortice lockset. It is a conversion kit only and must be paired with a compatible Lockwood Selector 3772 series primary mortice lock. Lockwood 1800 or 2800 series furniture is also ordered separately to complete the assembly.
The 3772 DX format is commonly used where coded access is needed, but smart lock features are unnecessary. It is a single-code mechanical system with manual code changing rather than electronic programming at the door.
View the full range of mechanical keypad locks here: Digital Mechanical Locks Collection
Battery free. Hassle Free.
This is a DX digital conversion kit only. It does not include the primary 3772 mortice lock or Lockwood 1800 / 2800 series furniture. These items must be ordered separately.
Key Features
- Mechanical digital keypad conversion kit - no batteries or electrical wiring required
- Designed for compatible Lockwood Selector 3772 mortice lock applications
- Factory-set 4 digit code adjustable to a 4, 5 or 6 digit code using the supplied code change kit
- Outside operation by pressing the C button, entering the code and turning the knob
- Code automatically cancels when the outside knob is released
- Inside operation remains by lever handle at all times
- Clutching mechanism helps protect the keypad assembly during forced attack
- Suited to 60 mm, 89 mm and 127 mm standard-backset Selector 3772 family applications
- Commonly used on commercial timber doors and compatible aluminium door applications
What's In The Box
- Digital codepad
- Mounting plate
- Codepad spindle
- Associated mounting screws
- Latching adaptor
- Code change kit
Not Included
- Primary Lockwood Selector 3772 series mortice lock
- Lockwood 1800 or 2800 series furniture
- Key override cylinder
- Additional cylinders or keying services
Suitable Uses
- Commercial timber door applications using Selector 3772 series mortice locks
- Heavy-use office, school, health and institutional doors
- Shared-access doors where a single mechanical code is acceptable
- Sites that want keypad access without batteries, apps or remote connectivity
Fire Door Compliance
The 3772-DXKITSC sits within the Lockwood Selector 3770 series mortice lock platform, which has published fire test history of up to 4 hours on fire door assemblies depending on the doorset type. That gives the range clear fire door relevance when used in an approved configuration.
As with all fire door hardware, compliance depends on the complete tested doorset, including the door, frame, mortice lock, furniture, preparation and installation method. For Digital DX fire door applications, the rubber mounting pad must not be fitted where manufacturer instructions require its omission.
Learn more about fire doors and compliance on the Gold Coast here: Apartment Fire Doors on the Gold Coast - What Locks & Smart Locks Are Actually Compliant?
Important: Always confirm suitability against the approved fire door schedule, the door manufacturer’s requirements and the complete tested hardware combination. If you are not sure, Contact Us before ordering.
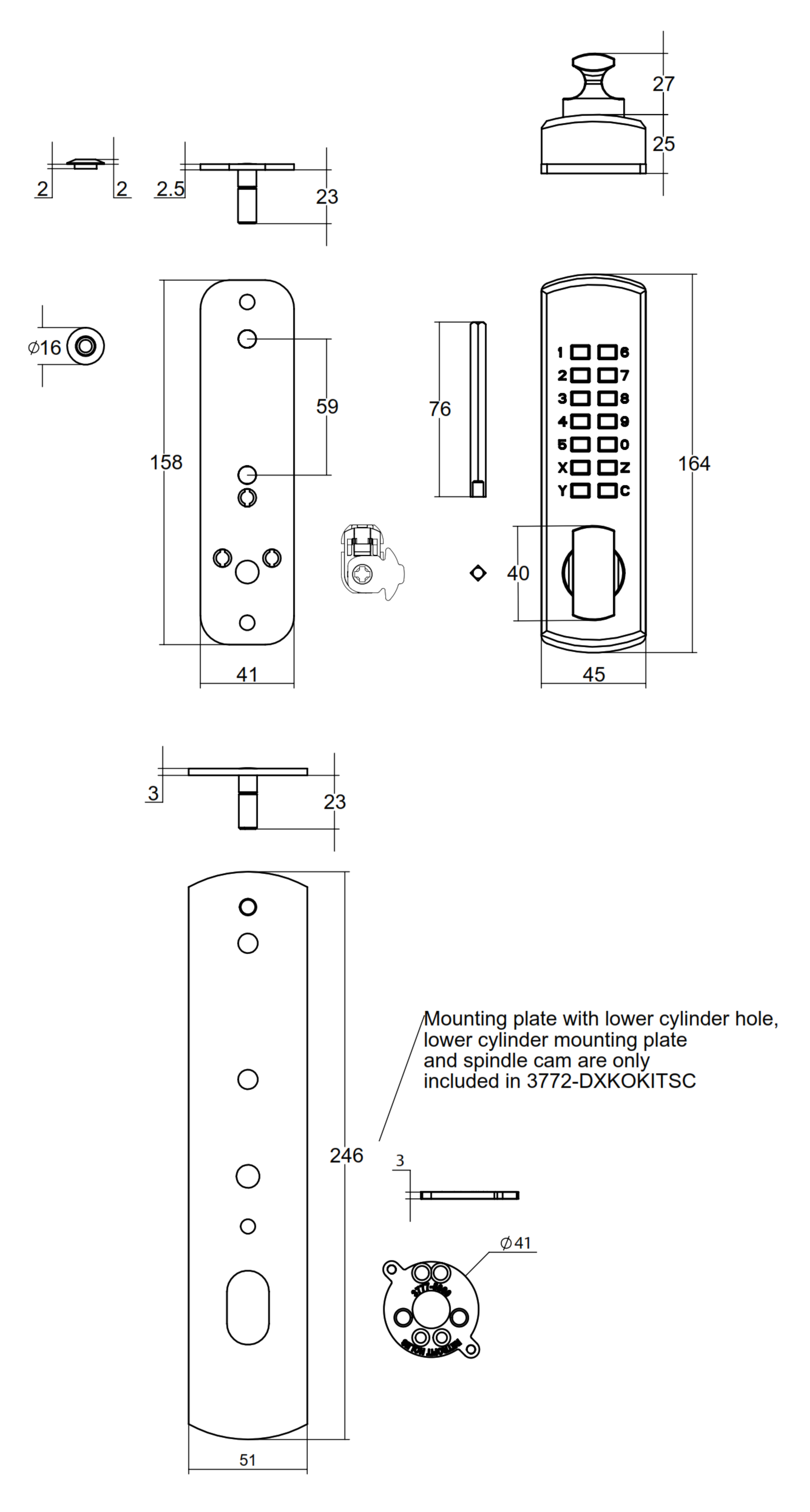
Specifications
What's In The Box
Dimensions
Frequently Asked Questions
- Does the 3772-DXKITSC include the mortice lock body?
No. This is a conversion kit only. The compatible Selector 3772 series primary mortice lock must be ordered separately. - Does this kit include key override?
No. This is the non-key-override DX kit. The key override version is a different product. - Does it require batteries or wiring?
No. This is a fully mechanical keypad system. - How is the code changed?
The factory-set code can be changed using the supplied code change kit. This is a manual process rather than on-door electronic programming. - Can it be used on aluminium doors?
Yes, but aluminium door fixing requires the separate 3772-AFKIT fixing kit.
Additional Information
- Kit-Only Product:
This SKU should not be sold as a complete lockset. It is a DX keypad conversion kit for compatible Selector 3772 mortice lock applications. - Backset Selection:
The broader 3772 DX family covers 60 mm, 89 mm and 127 mm backsets through the related 3772, 4772 and 5772 primary lock platform. - Single Code System:
This is a mechanical shared-code solution. It does not provide multiple user codes, audit trail or remote access. - Door Preparation:
Accurate fixing, spindle alignment and lock preparation are important. This is not a casual retrofit item. - Fire Door Context:
The underlying Selector 3770 series has published fire door test history, but compliance depends on the complete doorset and the relevant fire door manufacturer requirements. - Commercial Positioning:
This product suits sites that want simple mechanical keypad access without batteries or smart lock functions.
Item Code Family - Related Lockwood DX Conversion Kits
This table shows related Lockwood DX conversion kits across the standard-backset 3772 platform and the short-backset 3782 platform. Contact Us if you are not sure which setup suits your door.
Lockwood branded products purchased new in Australia from authorised resellers are covered against defects in materials and workmanship for:
- Mechanical components: 25 years
- Electrical and electronic components: 2 years (excluding batteries)
Lockwood DX Mechanical Digital Locks – Real Installations









Lockwood Warranty Overview
Lockwood branded products are covered by manufacturer warranties issued by ASSA ABLOY Australia Pty Ltd. Warranty periods vary depending on product type, mechanical components, electrical elements, and finish category.
This overview summarises the structure of Lockwood warranty coverage. Full terms, exclusions and claim procedures are set out in the official Lockwood Warranty document.
Warranty Periods Summary
Finish Coverage Guide
- Everbrass finishes: up to 25 years against corrosion, tarnishing and discolouration.
- Stainless steel, polished stainless steel, chrome plating and anodised finishes: typically up to 10 years.
- Decorative finishes including Antique Copper, Architectural Bronze, Oil Rubbed Bronze, Aged Brass, Polished Brass, Satin Brass and related variants: typically up to 2 years against corrosion.
- Unlacquered brass finishes will naturally age and change appearance over time. This is not considered a defect.
- Tea staining of stainless steel is not covered where cleaning and maintenance have not been followed.
What the Warranty Covers
- Defects in material and workmanship during the applicable warranty period.
- Assessment by ASSA ABLOY to determine repair, replacement with the same or closest equivalent product, or refund of purchase price.
Common Exclusions
- Normal wear and tear.
- Misuse, abuse, accidental damage or use outside published specifications.
- Improper maintenance or failure to follow care instructions.
- Unauthorised modification, repair or use of non-genuine parts.
- Exposure to corrosive environments including coastal air, salt spray, chemicals or pollution.
- Removal, refitment or associated labour charges.
- Products not originally sold in Australia through authorised channels.
Warranty Claim Process
- Retain proof of original purchase.
- Return the product through the original place of purchase where applicable.
- If claiming directly, obtain a case number before returning goods.
- Products must be securely packed and clearly identified.
- Warranty assessment determines repair, replacement or refund.
Australian Consumer Law
Lockwood warranties operate in addition to rights available under the Australian Consumer Law. Goods come with guarantees that cannot be excluded. Customers may be entitled to a replacement or refund for a major failure and compensation for reasonably foreseeable loss or damage.
Where a product fails to meet acceptable quality standards and the failure does not amount to a major failure, the customer is entitled to repair or replacement.
Official Warranty Document
It can be overwhelming with all the choices out there. We can help! We are experts with decades of experience in fitting locks of all types, not just Smart Locks. It is a free service we offer, and with just some photos and a few minutes of your time you can get expert advice and product recommendations tailored precisely to suit your needs.
Click on the image below to begin your expert Smart Lock consultation